UK1F/GM-2ESY M.D. Micro Detectors Ультразвуковой датчик M18 NPN, регулируемый гистерезис/стандартное окно/NO+NC 200-2200 мм, разъем M12, с кнопкой обучения, пластиковый, 90°

UK1F/GM-2ESY

Срок поставки 16-20 рабочих недель на склад Екатеринбурга
Свяжитесь с нами насчет цены.

Варианты способов доставки

• Самовывоз со склада поставщика в Екатеринбурге Забираете сами или вызываете курьера
• ТК Деловые Линии от 500 руб
• Курьером EMS Почта России от 500 руб
• Другой транспортной компанией По согласованию

Техническая спецификация

Характеристики

Номер производителя:
UK1F/GM-2ESY
Производитель:
M.D. Micro Detectors

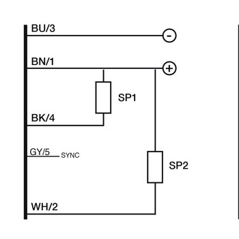
Выходы

Время отклика:
500мс
Тип выхода:
2x NPN
Функция выхода:
NO/NC
Частота переключения:
2Гц

Механические характеристики

Вес:
75г
Материал корпуса:
Корпус PBT
Момент затяжки:
1Нм
Рабочая температура:
- 20 °C…+ 70 °C
Размеры:
M18 x 1 / L = 88,3мм
Соединения:
M12 разъем
Температура хранения:
- 35 °C…+ 80° C без заморозки
Частота преобразователя:
200кГц

Принадлежности

В комплекте:
2 гайки M18x1, 2 шайбы Ø 18
Семейство продукции:
Цилиндрический ультразвуковой

Свойства обнаружения

Гистерезис:
1%
Минимальное расстояние срабатывания (слепая зона):
200мм
Номинальное расстояние срабатывания:
2200мм
Ошибка линейности:
1%
Разрешение:
≤3мм
Регулировка чувствительности:
Кнопка обучения
Тепловой дрейф Sr:
±2%
Термокомпенсация:
Да
Точность повторения:
0,50%
Угол луча:
14° ± 2°

Соответствие

Степень защиты:
IP67

Электрические характеристики

Задержка до доступности:
≤300мс
Защита от короткого замыкания:
Да
Защита от обратной полярности:
Да
Импульсная защита от перенапряжения:
Да
Максимальное содержание пульсации:
5%
Падение выходного напряжения:
2,2В макс. @ IL=100 мА
Рабочее напряжение:
10 - 30В пост.тока
Светодиодные индикаторы:
Зеленый: эхо - желтый: выход
Ток нагрузки:
100мА
Ток питания без нагрузки:
≤50мА
Ток утечки:
10мкА @ 30Vcc